▊▎概述
双法兰差压液位变送器的远传装置是用于防止管道中的介质直接进入变送器里的压力传感器组件中,它与变送器之间是靠注满流体的毛细管连接起来的。用于测量蒸汽或高温液体、气体的液位、密度和压力,然后将其转变成4~20mA DC信号输出。智能型液晶表头采用智能按键可修改量程,显示单位
▊▎功能特点
·被测介质温度上限高
·由于采用了微处理器而使灵活性增大、功能增强
·具有较强的自诊断能力
·零点和量程调整互不影响
·兼有完善的远程和就地设定、调校功能
·二线制,符合HART协议可与HART协议终端通信而不中断输出
·采用数字化补偿技术对温度及静压进行补偿
·稳定性能好,精度高,阻尼可调,抗单向过载能力强
·无机械传动部件,维修工作量少,坚固抗振
·全部通用件,方便维护
·接触介质的膜片材料可选,可全天候使用
▊▎性能参数
测量范围:0~100m
工作温度: -40~85℃,-20~70℃(带数字表头)
相对湿度: 0~100%
容积变化:小于0.16cm3
阻尼:时间常数在0.2~32.0s之间可调
启动时间: 3s,无需预热
性能指标:在无迁移、316不锈钢隔离膜片及其它标准测试条件下
量程比: 40:1
精度:量程为3、4、5
量程比为1:1到10:1时,为调校量程的±0.1%
量程比为10:1到40:1时,为±0.05(1+0.1URL/量程)%量程
量程为6、7、8、9、0
量程比为1:1到10:1时,为调校量程的±0.15%
量程比为10:1到40:1时,为±0.075(1+0.1URL/量程)%量程
稳定性:六个月误差为量程的±0.15%
温度影响:量程为4、5、6、7、8
零点误差为量程的±0.25%/55℃
包括量程和零点的总误差,为量程的0.5%/55℃
注意:对于量程3、9、0温度误差要加一倍
超压影响:加压140kgf/cm2后,误差为量程范围的±0.25%
电源影响:小于输出量程的0.005%/V
振动影响:在任意轴向上,频率为200Hz,引起的误差为量程范围的±0.05%/g
负载影响:只要输入变送器的电压高于12V,在负载工作区内无负载影响
安装影响:可产生不大于0.25 kPa的零位误差,但可校正,对量程无影响;测量本体相对法兰转动无影响
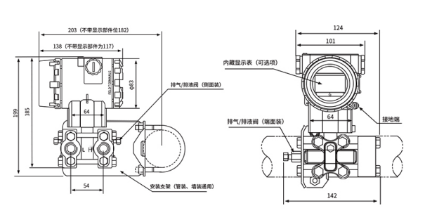
▊▎外形尺寸

▊▎接线图
